⇒ Electric current only measures the rate at which charged particles (usually electrons) flow around a circuit
⇒ The quantity used to describe the electrical energy in circuits is potential difference (pd), symbol V, measured in volts, V
⇒ A potential difference across an electrical component is measured by putting a voltmeter across the component, in parallel with it
⇒ Electrical energy in circuits is defined in terms of the electrical work done by the electrical charge flowing through the circuit
⇒ Potential difference is defined as the electrical work done per unit (coulomb) of charge flowing through components such as bulbs, motors, resistors, etc.
⇒ This electrical energy is ransferred into heat, light, and other more useful forms of energy by the components

⇒ Potential difference, however, cannot be used to describe the energy changes involved with power supplies such as cells, generators and mains power supply units
⇒ To make a distinction between these different energy transfers we define another quantity, electromotive force (emf), symbol ε
⇒ Both emf and pd are measured in volts, symbol V, using a voltmeter
⇒ Electromotive force is defined as the electric work done per unit (coulomb) of charge as it flows through a source of electrical energy such as a cell, generator or power supply unit (psu)
⇒ The law of conservation of energy can now be written in terms of emf and pd

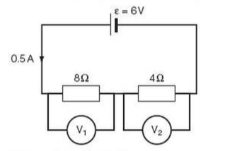
⇒ The emf of the cell, ε, transfers 6JC-1 (V) of chemical energy into electrical energy (if the cell is 100% efficient)
⇒ The 6JC-1 of electrical energy is shared between the two resistors
⇒ Note that the law of conservation of energy still holds here as 6JC-1 (V) is transferred from chemical energy into electrical energy in the cell and 6JC-1 (V) in total is transferred from electrical energy into heat energy within the resistors